雙溫位熔鹽電加熱爐
相關產品:
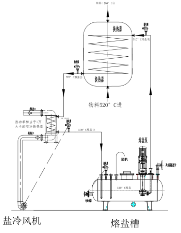
雙溫位熔鹽電加熱爐加熱系統原理
雙溫位電加熱熔鹽加熱系統是一種用于測試高溫熔鹽吸熱,傳熱與蓄熱性能的工藝系統,也是一種能夠同時或分時提供兩種不同溫度等級熱能的熔鹽加熱系統,該系統主要應用于對工藝溫度有分段控制需求的精細化工,制藥等領域的工業場景,如固堿蒸發濃縮,三聚氰胺制取等。其核心原理是在同一系統中實現高溫加熱與低溫維持(或冷卻)的協同控制,以滿足復雜工藝過程中對升溫、保溫、降溫等多階段溫控的精準要求。其中包括熔鹽流動控制與檢測。
一、系統工作原理
1.?低溫啟動(化鹽階段)?
系統初始時,熔鹽呈固態(熔點約142℃),需先在化鹽槽內通過電加熱管進行預熱。電加熱元件通電后依據焦耳定律(Q = I2Rt)將電能轉化為熱能,逐步加熱固態熔鹽至液態,直至其粘度降低到可被循環泵推動的流動狀態。
2.?中溫循環(建立循環)?
液態熔鹽經熔鹽泵強制循環,進入化鹽槽進一步升溫。此階段系統仍以電加熱為主,逐步提升熔鹽溫度至中間溫度區間(如150–350℃),確保整個管路系統熱均勻性,避免熱應力損傷。
3.?高溫運行(雙溫位切換)?
當系統達到穩定流動狀態后,可根據工藝溫度(通常350–580℃)需求,切換至保溫運行模式。控制系統通過PLC或DCS實時調節加熱功率,維持出口溫度恒定。
4.?閉路循環與熱量釋放?
高溫熔鹽輸送至用熱設備(如反應器、換熱器)釋放熱量后降溫,再返回熔鹽槽重新加熱,形成閉路循環系統,熱效率可達92%以上。
二、?雙溫位控制機制?
系統通過集成電加熱單元與冷卻調節單元,實現“高溫加熱+低溫冷卻”雙模式運行。當需要升溫時,電加熱器啟動,將熔鹽加熱至設定高溫(如350-580℃);當工藝需要降溫或維持中低溫時,系統自動切換至冷卻模式,通過引導熔鹽流經換熱器,與冷卻水或制冷介質進行熱交換,實現精確降溫。這種設計避免了傳統單一加熱系統的溫度滯后問題,控溫精度可達±0.1℃。

三、關鍵組成部件
電加熱熔鹽?爐體結構?:采用耐高溫、耐腐蝕材料(如不銹鋼、鎳基合金)制造,保障長期高溫運行穩定性。
?電加熱元件?:常用鎳鉻合金電阻絲或管狀電熱元件,具備高電阻率和耐高溫性能。
?控制系統?:集成PID溫控算法,支持自動調節功率,并設有超溫、低液位、短路等多重安全聯鎖保護。
?輔助裝置?:包括熔鹽泵、保溫層等,確保系統安全與能效。
配置由:熔鹽槽電加熱器、熔鹽槽,熔鹽泵、熔鹽空冷換熱器,鹽冷通風機,電控柜,現場一次儀表組成。
四、雙溫位設計優勢
?節能啟動?:低溫段使用小功率加熱,減少啟動能耗;
?安全可靠?:避免冷態直接高溫加熱導致的設備損壞;配備超溫、保護裝置,防止干燒等安全隱患;
?靈活調控?:適應不同生產負荷,支持調峰儲熱應用,尤其適用于新能源消納場景。
高精度控溫?:結合前饋PID與動態調節技術,響應速度快,適用于對溫度敏感的化學反應過程;
敬請關注我公司的網站:www.czsngl.com m.tqzxx.cn www.czrsgl.com www.rsdryl.com 聯系電話:13815029577
返回頂部
掃一掃 關注我們